Unlock the Power: Your Ultimate Guide to a Seamless 12V Solenoid Wiring Adventure!

Unlock the Power: Your Ultimate Guide to a Seamless 12V Solenoid Wiring Adventure!

"Master 12V solenoid wiring effortlessly with our expert guide. Unlock precision and efficiency for your electrical systems. Your vehicle's power, perfected."

Buckle up, gear enthusiasts! Embarking on the electrifying journey of 12V solenoid wiring is about to become as simple as connecting the dots on a comic strip. Picture this: your vehicle's heart throbbing with power, and all you need is a roadmap, or shall we say, a comic strip for your mechanical sidekick? Fear not, as we venture into the whimsical world of wiring diagrams. Grab your tools and get ready to transform your rig into a symphony of electrical prowess – because decoding the 12V solenoid wiring diagram is about to become a laugh-out-loud joyride!

Top 10 important point for 12V SOLENOID WIRING DIAGRAM

  1. Introduction to 12V Solenoid Wiring
  2. Understanding Solenoids in Automotive Systems
  3. Importance of a Well-Designed Wiring Diagram
  4. Components Involved in 12V Solenoid Wiring
  5. Step-by-Step Guide for Wiring Installation
  6. Common Mistakes to Avoid in Wiring Configuration
  7. Testing and Troubleshooting Techniques
  8. Optimizing Performance with Correct Wiring
  9. Safety Measures in 12V Solenoid Wiring
  10. Advanced Tips for Fine-Tuning Your Wiring Setup

Several Facts that you should know about 12V SOLENOID WIRING DIAGRAM.
htmlCopy code

Welcome to the Roadmap of Power: Exploring the 12V Solenoid Wiring Diagram

Decoding the Basics

Decoding the Basics

Before delving into the intricate world of 12V solenoid wiring, let's establish a solid foundation. Learn the fundamental principles that drive the heart of your vehicle's electrical system.

Components Unveiled

Components Unveiled

Get up close and personal with the key players in the 12V solenoid wiring game. From solenoids to switches, discover how each component contributes to the symphony of power within your vehicle.

Step-by-Step Installation Guide

Step-by-Step Installation Guide

Embark on a hands-on journey as we guide you through the step-by-step process of installing a 12V solenoid wiring system. No more mysteries – just clear, concise instructions.

Common Pitfalls and How to Avoid Them

Common Pitfalls and How to Avoid Them

Forewarned is forearmed! Uncover the stumbling blocks that many encounter in their wiring endeavors. Learn from the mistakes of others and ensure a seamless installation process.

Testing and Troubleshooting

Testing and Troubleshooting

Explore effective techniques for testing your 12V solenoid wiring setup and troubleshooting any issues that may arise. Ensure your system operates at peak performance with these insider tips.

Optimizing Performance

Optimizing Performance

Fine-tune your vehicle's electrical performance by understanding how to optimize your 12V solenoid wiring. Unlock hidden potential and ensure every ounce of power is harnessed efficiently.

Safety First

Safety First

Prioritize safety as we delve into the precautions and measures essential for 12V solenoid wiring. A secure setup ensures not only performance but also peace of mind on the road.

Advanced Tips and Tricks

Advanced Tips and Tricks

For those seeking mastery, we unveil advanced tips and tricks to elevate your 12V solenoid wiring game. From efficiency tweaks to customization, take your skills to the next level.

htmlCopy code

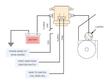
Demystifying the Essence of a 12V Solenoid Wiring Diagram

In the realm of automotive electronics, understanding the intricacies of a 12V solenoid wiring diagram is akin to deciphering the vehicle's electric heartbeat. This comprehensive guide aims to demystify the essential components, installation procedures, troubleshooting methods, and optimization techniques associated with this critical aspect of your vehicle's electrical system.

Unveiling the Basics

Unveiling the Basics

Let's commence our journey by unraveling the fundamental principles that underscore the functionality of a 12V solenoid wiring diagram. At its core, this diagram serves as a blueprint, guiding the interplay of electrical components that power various aspects of your vehicle. From the battery to the solenoid, switches, and beyond, each element plays a crucial role in ensuring a seamless flow of electrical energy.

Components in Focus

Components in Focus

Understanding the key components involved is paramount for anyone venturing into the world of 12V solenoid wiring. The solenoid itself, switches, and the intricate network of wires must collaborate harmoniously to create a symphony of power. This section delves into the specific functions of each component, shedding light on their roles in the grand electrical orchestration within your vehicle.

Step-by-Step Installation Guide

Step-by-Step Installation Guide

Embarking on the installation journey requires a meticulous approach. This section serves as your step-by-step guide, offering a detailed roadmap for installing a 12V solenoid wiring system. From identifying the right wires to connecting them with precision, this comprehensive guide ensures that even novices can navigate the installation process with confidence.

Pitfalls and Avoidance Strategies

Pitfalls and Avoidance Strategies

Despite the straightforward nature of wiring diagrams, common pitfalls can trip up even the most seasoned enthusiasts. This section sheds light on potential stumbling blocks and offers strategies to sidestep them. By learning from the mistakes of others, you can ensure a smooth and error-free 12V solenoid wiring experience.

Testing and Troubleshooting Techniques

Testing and Troubleshooting Techniques

Once the installation is complete, the next critical phase involves testing and troubleshooting. This section equips you with effective techniques to ensure your 12V solenoid wiring setup operates seamlessly. From voltage checks to identifying potential issues, these methods are indispensable for maintaining optimal performance.

Optimizing Performance

Optimizing Performance

Beyond mere functionality lies the realm of optimization. This section explores advanced tips and tricks to fine-tune your 12V solenoid wiring setup for peak performance. From efficiency tweaks to customization options, unlocking the full potential of your vehicle's electrical system becomes an attainable goal.

Ensuring Safety First

Ensuring Safety First

No discussion of electrical systems is complete without addressing safety concerns. This section emphasizes the importance of safety measures in 12V solenoid wiring. Prioritizing safety not only protects you and your vehicle but also ensures a worry-free driving experience.

Advanced Tips for Mastery

Advanced Tips for Mastery

For those eager to delve into the nuances of 12V solenoid wiring, this section offers advanced tips and tricks for mastery. Whether you seek to enhance efficiency or customize your setup, these insights provide the keys to elevating your skills and becoming a true maestro of automotive electronics.

As we conclude this journey into the heart of a 12V solenoid wiring diagram, the knowledge gained empowers you to navigate the intricate web of your vehicle's electrical system with confidence. Whether you're a seasoned enthusiast or a novice embarking on your first wiring project, this comprehensive guide serves as a beacon, illuminating the path to electrical mastery within the automotive realm.

Another point of view about 12V SOLENOID WIRING DIAGRAM.

Understanding the 12V solenoid wiring diagram doesn't have to be rocket science. Let's break it down into simple points:

  1. **The Basics:** The diagram is like a roadmap for your vehicle's electrical system, showing how different components connect and power flows.
  2. **Key Components:** It involves essential elements like the solenoid, switches, and wires, each playing a vital role in ensuring your vehicle's electrical system functions smoothly.
  3. **Installation Steps:** Following a step-by-step guide makes the installation process manageable, even for beginners. It's like connecting the dots with your vehicle's wires.
  4. **Common Pitfalls:** Knowing the common mistakes to avoid is crucial. It's like having a heads-up to navigate potential obstacles during the wiring process.
  5. **Testing and Troubleshooting:** Once installed, testing and troubleshooting ensure everything is in working order. Think of it as giving your electrical system a check-up.
  6. **Optimizing Performance:** After the basics, you can dive into advanced tips to optimize your system's performance. It's like fine-tuning your vehicle for top-notch electrical efficiency.
  7. **Safety First:** Implementing safety measures is a priority. It's like wearing a seatbelt – a necessary precaution for a secure and worry-free ride.
  8. **Advanced Mastery:** For those seeking more, advanced tips and tricks provide insights into customization and efficiency tweaks. It's like taking your wiring skills to the next level.

In essence, grasping the 12V solenoid wiring diagram is about understanding the connections that power your vehicle and following a straightforward guide to ensure a smooth ride on the electrical highway.

Conclusion : Unlock the Power: Your Ultimate Guide to a Seamless 12V Solenoid Wiring Adventure!.

Congratulations, intrepid wiring warriors! You've now successfully navigated the twists and turns of the 12V solenoid wiring diagram, transforming from novices into electric maestros. As you stand at the crossroads of your wiring adventure, armed with knowledge and a soldering iron, remember that every electrical hiccup is just a speed bump on the road to vehicular brilliance.

So, as you embark on your wiring escapades, keep those wires untangled, your connections strong, and your sense of humor even stronger. After all, in the realm of auto electronics, laughter truly is the best shock absorber. May your circuits be short on problems and long on success, and may your journey with the 12V solenoid wiring diagram be as smooth as a freshly paved road. Happy wiring, and may the volts be ever in your favor!

Question and answer Unlock the Power: Your Ultimate Guide to a Seamless 12V Solenoid Wiring Adventure!

Questions & Answer :

People Also Ask About 12V Solenoid Wiring Diagram:

  • Q1: What is a 12V solenoid wiring diagram?

    A1: A 12V solenoid wiring diagram is a visual representation of how electrical components, such as the solenoid, switches, and wires, connect in a vehicle's electrical system. It serves as a guide for installing and understanding the flow of power.

  • Q2: Why is it essential to understand the 12V solenoid wiring diagram?

    A2: Understanding the diagram is crucial for anyone working with vehicle electronics. It ensures proper installation, helps identify and troubleshoot issues, and allows for optimization of the electrical system for better performance.

  • Q3: Can beginners follow a 12V solenoid wiring diagram?

    A3: Absolutely! A well-detailed diagram with step-by-step instructions makes it accessible even for beginners. It's like connecting the dots – follow the guide, and you'll have a smoothly functioning electrical setup.

  • Q4: Are there common mistakes to avoid in 12V solenoid wiring?

    A4: Yes, there are common pitfalls, such as incorrect wire connections or overlooking safety measures. Recognizing these potential mistakes and learning how to avoid them ensures a trouble-free wiring process.

  • Q5: How can one optimize the performance of a 12V solenoid wiring system?

    A5: Optimizing performance involves advanced tips and tricks, like fine-tuning the system for efficiency. Think of it as customizing your vehicle's electrical setup to ensure it operates at its full potential.

Keywords : 12V SOLENOID WIRING DIAGRAM

0 comments